ATHENA 2022 > Befehle und Funktionen > Engineering > Schwerpunkt und Momente
Schwerpunkt und Momente
 
Multifunktionsleiste:
Register ATHENA > Gruppe Extras > Schwerpunkt und Momente
Menü:
ATHENA > Engineering > Schwerpunkt und Momente
Werkzeugkasten:
ATH Engineering > Schwerpunkt und Momente
ATHENA Funktionen > Schwerpunkt und Momente
Befehlseingabe:
ath_schw
Mit diesem Befehl können Sie Schwerpunkte und statische Momente eines einzelnen Profils oder mehrerer zusammengesetzter Profile berechnen. Bei zusammengesetzten Profilen müssen Sie zur Bestimmung der Verbindungsqualität einen Verbundbeiwert angeben.
Das Programm berechnet bzw. bemaßt folgende Werte:
Trägheitsmomente (Ix, Iy)
Widerstandsmomente (Wx, Wy)
Trägheitsradien (ix, iy)
Schwerachsabstände (ex1, ex2)
Schwerpunkt
Fläche (A)
Außenkontur
Gewicht/Material
ath_schw
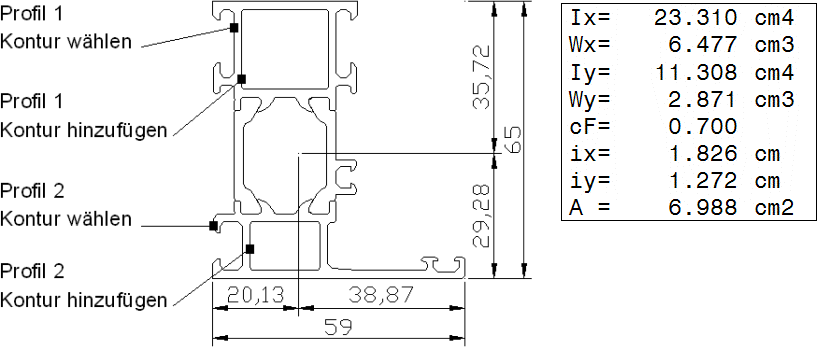
Abb. 7.1: Schwerpunkt und Momente von Profilen
Eingabeaufforderung 
Profil 1
Kontur wählen oder [?]:
Klicken Sie eine Außen- oder Innenkontur des ersten Profils an.
Geben Sie ENTER ein um das Programm zu beenden.
Mit der Option ? rufen Sie die Hilfe auf.
Profil 1
Kontur hinzufügen oder [Zurück/?]:
Klicken Sie eine weitere Außen- oder Innenkontur des ersten Profils an.
Mit der Option Zurück wird die vorherige Eingabeaufforderung wiederholt.
Diese Eingabeaufforderung wird wiederholt, bis Sie mit Enter oder Rechtsklick zur nächsten Eingabeaufforderung wechseln.
Profil 2
Kontur wählen oder [?]:
Klicken Sie eine Außen- oder Innenkontur des zweiten Profils an.
Die Eingabeaufforderungen wiederholen sich wie oben beschrieben für weitere Konturen und Profile. Geben Sie, nachdem Sie die letzte Profilkontur gewählt haben, Enter ein um zur nächsten Eingabeaufforderung zu gelangen.
Verbundbeiwert eingeben oder [?] <0.7>:
Geben Sie einen Wert zwischen 0 und 1 als Verbundbeiwert ein.
Geben Sie Enter ein um den Vorgabewert zu übernehmen. Es öffnet sich das Dialogfeld Schwerpunkt und Momente, wo Sie die Ergebnisse der Berechnung sehen und weitere Einstellungen vornehmen können.
Dialogfeld Schwerpunkt und Momente
db_ath_schw
Dialogfeldbereich Trägheitsmomente
Bzgl. Schwerpunktachsen
Gibt die Trägheitsmomente (Ix und Iy) bezogen auf die Schwerpunktachsen in der Ergebnistabelle aus.
Bzgl. Hauptachsen
Gibt die Trägheitsmomente (I1 und I2) bezogen auf die Hauptachsen in der Ergebnistabelle aus.
Hauptachsenlage
Gibt die Lage der Hauptachse in der Ergebnistabelle aus.
Verbundbeiwert
Gibt den Verbundbeiwert in der Ergebnistabelle aus.
Dialogfeldbereich Widerstandsmomente
Gibt die Widerstandsmomente (Wx und Wy) in der Ergebnistabelle aus.
Dialogfeldbereich Trägheitsradius
Gibt den Trägheitsradius (ix und iy) in der Ergebnistabelle aus.
Dialogfeldbereich Schwerachsabstände
Gibt den Abstand der Schwerachsabstände in der Ergebnistabelle aus.
Dialogfeldbereich Querschnitt
Außenkontur
Gibt den Umfang der Außenkontur in der Ergebnistabelle aus.
Gesamtfläche
Gibt die Gesamtfläche in der Ergebnistabelle aus.
Dialogfeldbereich Material
Gibt das gewählte Material in der Ergebnistabelle an. Wählen Sie dazu das entsprechende Material aus der Liste aus.
Es werden nur Materialien angeboten, wenn bei den physikalischen Werten die Dichte definiert ist. Weitere Informationen zu Materialien finden Sie in den Abschnitten Material und Physikalische Werte .
Gewicht
Gibt das Gewicht (abhängig vom gewählten Material) in der Ergebnistabelle aus.
Dialogfeldbereich Einfügen
Text
Fügt eine Ergebnistabelle in die Zeichnung ein.
Bemaßung
Bemaßt den Abstand von der Konturaußenkante zu den Hauptachsen.
Hauptachsen
Zeichnet die Hauptachsen in die Kontur.
Update
Aktualisiert eine vorhandene Tabelle, die Sie wählen müssen.
Wenn Sie bei aktivierter Option Text OK klicken erscheint folgende Eingabeaufforderung:
Eingabeaufforderungwenn Text eingeschaltet ist
Einfügepunkt angeben:
Bestimmen Sie den Einfügepunkt der Ergebnistabelle.
Drehwinkel angeben oder <0>:
Bestimmen Sie den Drehwinkel der Ergebnistabelle.
Geben Sie Enter ein um den Vorgabewert zu übernehmen.
Eingabeaufforderungwenn Update eingeschaltet ist
Tabelle für Update wählen oder [?]:
Wählen Sie eine vorhandene Tabelle, um diese zu aktualisieren.
Verbundbeiwert
Der Verbundbeiwert reduziert den Steineranteil der Berechnung. Daher hat der Verbundbeiwert keine Auswirkungen auf das Ergebnis, wenn die berechneten Profile den gleichen Schwerpunkt besitzen.
Mit dem Verbundbeiwert bestimmen Sie die Schubfestigkeit der verschiedenen Profile untereinander - Bsp. Verbundbeiwert 1 = Schubfeste (starre) Verbindung (Profile sind umlaufend verschweißt). Verbundbeiwerte für Profile der Hersteller sind bei diesen zu erfragen.
Anmerkungen 
Die zu berechnenden Querschnitte müssen im Maßstab 1:1 gezeichnet sein.
Die Außen- bzw. Innenkonturen der verschiedenen Querschnitte müssen Kreise oder Polylinien sein (auch in Blöcken). Polylinien, sollten geschlossen sein. Nicht geschlossene Polylinien werden für die Berechnung "imaginär" geschlossen. Dies kann zu ungenauen Resultaten führen
Bei der Konturdefinition der einzelnen Querschnitte (Innen- oder Außenkonturen) werden diese in verschiedenen Farben ausgeleuchtet.
Den für die Wertetabelle verwendeten Layer können Sie im Dialogfeld Systemlayer festlegen.
Die Texte in der Wertetabelle sind mehrsprachig gespeichert. Mit dem Befehl Textsprache setzen können Sie die Texte in einer anderen Sprache anzeigen.
Informationen zu Materialien finden Sie im Abschnitt Material .
Hinweis: Diese Funktion zur Berechnung statischer Werte ist ein Hilfsmittel für den Anwender. Die Firma CAD-PLAN GmbH haftet in keinster Weise für die Ergebnisse und die daraus entstehenden Fehler und Schäden!
Zuletzt geändertes Datum: 20.07.2022