ATHENA 2022 > Befehle und Funktionen > Treppe > Bezeichnungen und Begriffe
Bezeichnungen und Begriffe
Die Begriffsdefinitionen sind angelehnt an die DIN 18065 (Gebäudetreppen). Weitere Begriffe entnehmen Sie bitte der Norm.
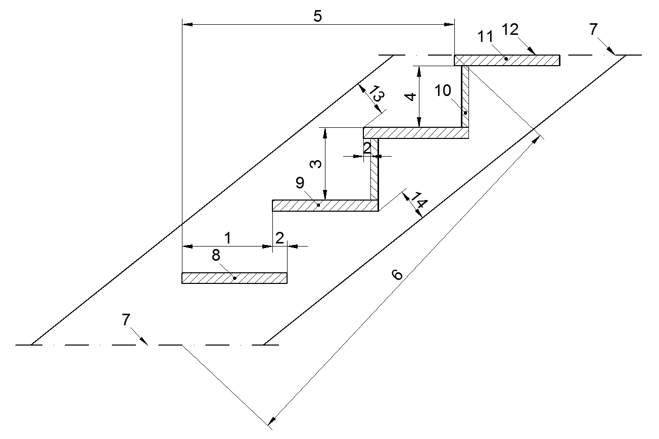
ath_stair_definitions
1. Auftritt [a]
2. Untertritt [u]
3. Steigung [s]
4. Lichter Stufenabstand
5. Lauflänge
6. Treppenlauf
7. Treppenpodest, Zwischenpodest, Geschossdecke
8. Antrittstufe
9. Trittstufe
10. Setzstufe
11. Austrittstufe
12. Trittfläche
13. Oberer Besteck
14. Unterer Besteck
Antritt
Als Antritt (Antrittstufe) bezeichnet man die erste (unterste) Stufe eines Treppenlaufes nach Verlassen der Geschossebene. Die Antrittstufe kann konstruktiver Teil der Treppe oder der Geschossebene sein.
Auftritt
Der Auftritt ist das horizontale Maß der Trittfläche, welches von der Vorderkante einer Treppenstufe bis zur Projektion der Vorderkante der folgenden Treppenstufe gemessen wird.
Austritt
Als Austritt (Austrittstufe) bezeichnet man die letzte (oberste) Stufe eines Treppenlaufes, die auch Teil des Austrittpodestes sein kann. Die Austrittstufe ist also entweder konstruktiver Teil der Treppe und schließt höhengleich an die Geschossebene an, oder sie ist konstruktiver Teil der Geschossebene.
Bequemlichkeit
Die Bequemlichkeit berechnet sich aus Auftritt minus Steigung und sollte bei etwa 12 cm liegen (a-s=12cm).
Besteck
Abstand von der Vorderkante einer Trittstufe bis zur Oberkante der Wange (oberer Besteck) bzw. von der Hinterkante einer Trittstufe bis zur Unterkante der Wange (unterer Besteck).
Gehsicherheit
Die Gehsicherheit berechnet sich aus Auftritt plus Steigung und sollte bei etwa 46 cm liegen (a+s=46cm).
Lauflinie
Die Lauflinie ist eine gedachte Linie, die den üblichen Weg des Benutzers einer Treppe angibt. Sie liegt im Gehbereich des Treppengrundrisses.
Neigung
Die Neigung der Treppe ist der Winkel zwischen der gedachten Linie welche die Vorderkanten der Trittstufen verbindet und der Horizontalen. Sie ergibt sich durch das Steigungsverhältnis (Steigung/Auftritt).
Schrittmaß
Das Schrittmaß (oder Trittverhältnis) berechnet sich aus zweimal Steigung plus Auftritt und sollte idealerweise bei 63cm bis 65cm liegen (2s+a=63cm bis 65cm).
Setzstufe
Die Setzstufe ist ein lotrechtes oder annähernd lotrechtes Stufenteil.
Steigung
Die Steigung ist der lotrechte Abstand, gemessen von der Trittfläche einer Stufe zur Trittfläche der folgenden Stufe.
Steigungsverhältnis
Das Steigungsverhältnis ist der Quotient von Steigung zu Auftritt. Daraus ergibt sich die Neigung der Treppe.
Stufenverziehung
Die Stufenverziehung ist der Fachbegriff für den Verlauf der Wendelstufen einer Treppe. Für die Stufenverziehung sind im Laufe der Jahrhunderte viele unterschiedliche Projektionsmethoden entstanden. Das Ergebnis einer guten Stufenverziehung sollte jedoch immer eine angenehme und sichere Begehbarkeit der Treppe sein, unter Beachtung der Schrittmaßregel und der baurechtlichen Anforderungen.
Treppenauge
Das Treppenauge ist der Luftraum im Zentrum einer Treppenanlage. Das Treppenauge ist der von Treppenläufen, Podesten und Geländern umschlossene freie Raum.
Trittfläche
Siehe Auftritt.
Trittstufe
Die Trittstufe ist der horizontale Teil der Stufe.
Trittverhältnis
Untertritt (Unterschneidung)
Der Untertritt ist das horizontale Maß, um das die Vorderkante einer Stufe über die Breite der Trittfläche der darunterliegenden Stufe vorspringt.
Verziehung
Siehe Stufenverziehung.
 
Zuletzt geändertes Datum: 20.07.2022