ATHENA 2021 > Befehle und Funktionen > Treppe > Unterdialogfelder Treppe > Wangenanschluss Austritt
  
Wangenanschluss Austritt
In diesen Dialogfeldern legen Sie die Parameter für den Wangenanschluss am Austritt fest. Der Anschluss kann an eine Geschosswand, an eine Geschossdecke sowie an ein Zwischenpodest erfolgen. Generell unterscheidet man zwischen Standard- (Geklinkt-), Horizontal- und Vertikalanschluss.
Dialogfeld Parameter Wange - Austritt - Standard
db_ath_stair_parameter4
Abstand zu Austritt
Gibt den horizontalen Abstand der Wangenhinterkante zur Vorderkante der Austrittsstufe an, siehe Abbildung Wangenmaße: Austritt - Wand - Standard: Maß 1.
Das Eingabefeld wird freigegeben, sobald Sie den Schalter von Wange deaktivieren.
Von Wange
Verwendet für den Abstand von Austritt den gleichen Abstand wie zur Wangenoberkante (oberer Besteck).
Wangenhöhe
Gibt das vertikale Maß der Wange am Austritt an, siehe Abbildung Wangenmaße: Austritt - Wand - Standard: Maß 2.
Von Wange
Verwendet für die Wangenhöhe den gleichen Abstand wie zur Wangenoberkante (oberer Besteck).
Abstand zur Wand
Gibt den horizontalen Abstand der Wangenkante zur Vorderkante der Wand an, siehe Abbildung Wangenmaße: Austritt - Wand - Standard: Maß 3.
Aufbau Fußboden
Bei aktiviertem Schalter wird der Fußbodenaufbau ignoriert (Abstände beziehen sich auf den Rohfußboden), siehe Abbildung Wangenmaße: Austritt - Wand - Standard: Maß A.
Aufbau Wand
Bei aktiviertem Schalter wird der Wandaufbau ignoriert (Abstände beziehen sich auf die Rohwand), siehe Abbildung Wangenmaße: Austritt - Wand - Standard: Maß B.
ath_stair_wange4
Wangenmaße: Austritt - Wand - Standard
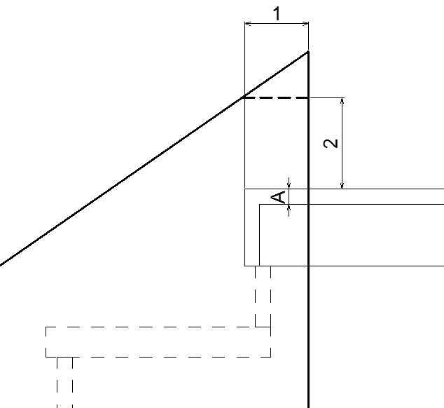
Dialogfeld Parameter Wange - Austritt - Horizontal
db_ath_stair_parameter5
Höhe über Podest
Gibt den vertikalen Abstand von der Wangenoberkante zur Geschossdecke an, siehe Abbildung Wangenmaße: Austritt - Geschossdecke - Horizontal: Maß 1.
Das Eingabefeld wird freigegeben, sobald Sie den Schalter von Wange deaktivieren.
Von Wange
Verwendet für die Höhe über Podest den gleichen Abstand wie zur Wangenoberkante (oberer Besteck).
Abstand von Austritt
Gibt den horizontalen Abstand von der Wangenhinterkante zur Vorderkante der Geschossdecke an, siehe Abbildung Wangenmaße: Austritt - Geschossdecke - Horizontal: Maß 2.
Das Eingabefeld wird freigegeben, sobald Sie den Schalter Variabel deaktivieren
Variabel
Die Wangenhinterkante wird spitz ausgebildet. Der Abstand zur Geschossdecke wird von anderen Parametern (z.B. Höhe über Podest) beeinflusst.
Aufbau Fußboden
Bei aktiviertem Schalter wird der Fußbodenaufbau ignoriert (Abstände beziehen sich auf den Rohfußboden), siehe Abbildung Wangenmaße: Austritt - Geschossdecke - Horizontal: Maß A.
Aufbau Wand
Bei aktiviertem Schalter wird der Wandaufbau ignoriert (Abstände beziehen sich auf die Rohwand), siehe Abbildung Wangenmaße: Austritt - Geschossdecke - Horizontal: Maß B.
ath_stair_wange5
Wangenmaße: Austritt - Geschossdecke - Horizontal
Dialogfeld Parameter Wange Austritt Vertikal
db_ath_stair_parameter6
Abstand von Austritt
Gibt den horizontalen Abstand von der Wangenhinterkante zur Vorderkante der Geschossdecke an, siehe Abbildung Wangenmaße: Austritt - Geschossdecke - Vertikal: Maß 1.
Das Eingabefeld wird freigegeben, sobald Sie den Schalter Von Wange deaktivieren
Von Wange
Verwendet für den Abstand von Austritt den gleichen Abstand wie zur Wangenoberkante (oberer Besteck).
Höhe über Fußboden
Gibt den vertikalen Abstand von der Wangenoberkante zur Geschossdecke an, siehe Abbildung Wangenmaße: Austritt - Geschossdecke - Vertikal: Maß 2.
Das Eingabefeld wird freigegeben, sobald Sie den Schalter von Wange deaktivieren.
Variabel
Die Wangenoberkante wird spitz ausgebildet. Der Abstand zur Geschossdecke wird von anderen Parametern (z.B. Abstand von Austritt) beeinflusst.
Aufbau Fußboden
Bei aktiviertem Schalter wird der Fußbodenaufbau ignoriert (Abstände beziehen sich auf den Rohfußboden), siehe Abbildung Wangenmaße: Austritt - Geschossdecke - Vertikal: Maß A.
 
ath_stair_wange6
Wangenmaße: Austritt - Geschossdecke - Vertikal
 
Die Einstellmöglichkeiten aller Wangenparameter ist abhängig von der gewählten Anschlussart der Wange und vom Antritt bzw. Austritt, welcher im Aufklappmenü Podest gewählt wurde. Ferner können sich die Optionen des Dialogfeldes, je nach Art des gewählten Podestes (Fußboden, Geschossdecke oder Zwischenpodest), geringfügig unterscheiden.