ATHENA 2021 > Commands and functions > Stairway > Designations and terms
  
Designations and terms
The definition of terms is based on DIN 18065 (Building stairways). For further terms please refer to the standard.
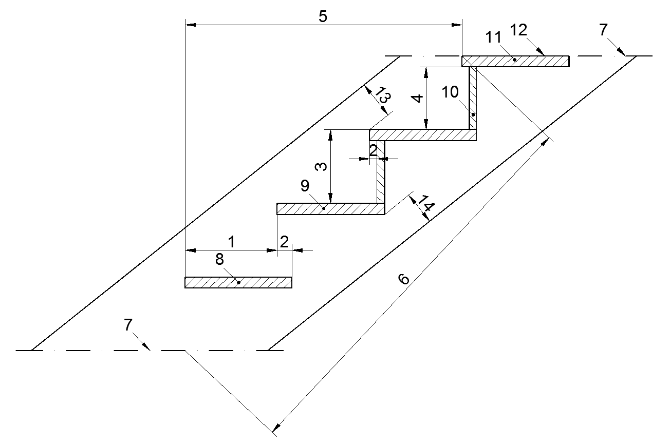
ath_stair_definitions
1. Going [a]
2. Toe space [u]
3. Rise [s]
4. Step spacing
5. Flight length
6. Stairway flight
7. Stairway landing, intermediate landing, ceiling
8. First step
9. Step
10. Riser
11. Last step
12. Tread surface
13. Top inset
14. Bottom inset
First step
The first step is defined as the first (lowermost) step of a flight of steps after leaving the story level. The first step may be a constituent part of the stairway or of the story level.
Going
The going is the horizontal measurement of the tread surface extending from the front edge of a step to the projection of the front edge of the following step.
Last step
The last step is designated as the last (uppermost) step of a flight of steps, which may also be part of the top landing. The last step is therefore either a constructional part of the stairway and connects to the story level at the same height or it is a constructional part of the story level.
Comfort
The comfort is calculated as the going minus rise and should be about 12 cm (a-s=12cm).
Inset
Distance of the front edge of a tread to the top edge of the string (top inset) or from the rear edge of a tread to the bottom inset of the string (bottom inset).
Sure-footed safety
The sure-footed safety is calculated as the going plus the rise and should be about 46 cm (a+s=46cm).
Walking line
The walking line is an imaginary line indicating the normal path taken by a user of a stairway. It lies in the walking area of the stairway plan.
Gradient
The slope of the stairway is the angle between the imaginary line connecting the front edges of the treads and the horizontal. It is given by the rise-to-going ratio (rise/going).
Step length
The step length (step proportion) is calculated from twice the rise plus going and should ideally be 63 cm to 65 cm (2s+a= 63 cm to 65 cm).
Riser
The riser is a perpendicular or almost perpendicular part of the step.
Rise
The rise is the perpendicular distance measured from the tread surface of a step to the tread surface of the following step.
Rise-to-going ratio
The rise-to-going ratio is the quotient of the rise over going. It gives the slope of the stairway.
Winding steps
Winding is the technical term for the course of the spiral steps of a stairway. For the winding of the steps many different projection methods have arisen in the course of centuries. The result of good winding should however always be a comfortable and safe stairway, taking into account the step-length rules and the requirements of building legislation.
Stairwell
The stairwell is the air space in the center of a stairway system. The stairwell is the free space enclosed by the flights, landings and banisters.
Tread surface
See going.
Step
The tread is the horizontal part of the step.
Step proportion
See step length.
Toe space (undercut)
The toe space is the horizontal measurement by which the front edge of a step protrudes over the width of the tread of the step below.
Winding
See Winding steps.