ATHENA 2021 > Commands and functions > Stairway > Sub-dialog box Stairway > String connection, last step
  
String connection, last step
In these dialog boxes you define the parameters for the string connection to the last step. The connection can occur on a story wall, on a ceiling and on an intermediate landing. Generally, a differentiation is made between standard (clinched), horizontal and vertical connections.
Dialog box Parameters String - Last step - Standard
db_ath_stair_parameter4
Distance to last step
Specifies the horizontal distance of the string rear edge to the front edge of the last step, see illustration String dimensions: Last step - Wall - Standard: Dimension 1.
The entry field is enabled when you deactivate the Of string tick box.
Of string
Uses the same distance as to the string top edge (top insert) for the distance from the last step.
String height
Specifies the vertical dimension of the string on the last step, see illustration String dimensions: Last step - Wall - Standard: Dimension 2.
Of string
Uses the same distance as to the string top edge (top insert) for the string height.
Distance to the wall
Specifies the horizontal distance of the string edge to the front edge of the wall, see illustration String dimensions: Last step - Wall - Standard: Dimension 3.
Floor structure
With the tick box activated the floor structure is ignored (distances are referenced to the bare floor), see illustration String dimensions: Last step - Wall - Standard: Dimension A.
Wall structure
With the tick box activated the wall structure is ignored (distances are referenced to the bare wall), see illustration String dimensions: Last step - Wall - Standard: Dimension B.
ath_stair_wange4
String dimensions: Last step - Wall - Standard
Dialog box Parameters String - Last step - Horizontal
db_ath_stair_parameter5
Height above landing
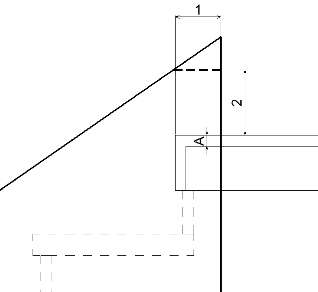
Specifies the vertical distance of the string top edge to the ceiling, see illustration String dimensions: Last step - Ceiling - Standard: Dimension 1.
The entry field is enabled when you deactivate the Of string tick box.
Of string
Uses the same distance as to the string top edge (top insert) for the height above the landing.
Distance from last step
Specifies the horizontal distance from the string rear edge to the front edge of the ceiling, see illustration String dimensions: Last step - Ceiling - Standard: Dimension 2.
The entry field is enabled when you deactivate the Variable tick box.
Variable
The rear edge of the string is formed pointed. The distance to the ceiling is influenced by other parameters (e.g. distance above landing).
Floor structure
With the tick box activated the floor structure is ignored (distances are referenced to the bare floor), see illustration String dimensions: Last step - Ceiling - Standard: Dimension A.
Wall structure
With the tick box activated the wall structure is ignored (distances are referenced to the bare wall), see illustration String dimensions: Last step - Ceiling - Standard: Dimension B.
ath_stair_wange5
String dimensions: Last step - Ceiling - Standard
Dialog box Parameters String - Last step - Vertical
db_ath_stair_parameter6
Distance from last step
Specifies the horizontal distance from the string rear edge to the front edge of the ceiling, see illustration String dimensions: Last step - Ceiling - Vertical: Dimension 1.
The entry field is enabled when you deactivate the Of string tick box.
Of string
Uses the same distance as to the string top edge (top insert) for the distance from the last step.
Height above floor
Specifies the vertical distance of the string top edge to the ceiling, see illustration String dimensions: Last step - Ceiling - Vertical: Dimension 2.
The entry field is enabled when you deactivate the Of string tick box.
Variable
The top edge of the string is formed pointed. The distance to the ceiling is influenced by other parameters (e.g. distance from last step).
Floor structure
With the tick box activated the floor structure is ignored (distances are referenced to the bare floor), see illustration String dimensions: Last step - Ceiling - Vertical: Dimension A.
 
ath_stair_wange6
String dimensions: Last step - Ceiling - Vertical
 
The possible settings of all string parameters depend on the selected type of connection of the string and on the first step or last step which was selected in the Drop-down menu Landing. Furthermore, the options of the dialog box may differ slightly, depending on the type of landing selected (floor, ceiling or intermediate landing).